Як зробити плавильну піч з індукційної плити

Плити з індукцією мають ряд особливостей.
- Швидке нагрівання при малому споживанні електроенергії.
- Їжа виходить без диму, запаху гіркоти і шкідливих мікроелементів.
- Плита нагріває тільки їжу в посуді, тому обпектися про неї неможливо.
Додатковою перевагою індукційної плити є можливість використання її якостей в інших цілях, наприклад, для створення плавильної печі.
Переробка індукційної плити у плавильну піч
Зміст статті
Якщо вам потрібна маленька плавильня не для великих масштабів, а для власних потреб обсягом на 1 л максимум, можна зробити її з плитки індукційного типу.
Завдяки її переваг і здатності перетворювати електромагнітні хвилі в енергію нагрівання, вона відмінно підійде для таких цілей.
Знадобиться внести деякі зміни в конструкцію, додати кілька деталей, переробити корпус, і у вас вийде те, що необхідно.
Така модель, зроблена своїми руками, буде дуже зручна у використанні і заощадить кошти.
Важливо! Процес створення плавильної печі зажадає знань і часу, тому уважно вивчіть всі теоретичні основи і ознайомтеся з інструкцією. Якщо ви сумніваєтеся, що зможете виконати, то краще довірити це професіоналам.
Які деталі потрібні для саморобної індукційної печі
Перш ніж приступити до виготовлення саморобної плавильної печі, заснованої на принципі роботи індукційної плити, вам буде потрібно зібрати потрібні елементи. А в разі необхідності докупити відсутні деталі.
Для роботи знадобиться наступне.
- Індукційна плита.
- Мідна трубка діаметром 8 мм довжиною 3 м.
- Конденсатор.
- Перемикач.
- Лампа розжарювання для контролю.
- Тигель.
Рада. Якість і швидкість плавлення будуть багато в чому визначатися потужністю генератора, ламп і частоти, з якою здійснюється навантаження.
Як зробити індукційну плавильню з плити
- З мідної труби необхідно скрутити індуктор, що переходить з плоского (у нижній частині) в циліндричний (нагорі). Виходить своєрідний склянку з мідних витків. Зробіть його необхідного розміру.
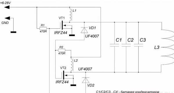
- Приєднайте всю конструкцію згідно зі схемою електроприладу. Конденсатор і лампочку використовуйте паралельно в ланцюзі.
- Щоб приступити до роботи, увімкніть електроплиту в мережу, помістіть в тигель, розташований усередині індуктора, метал і натисніть на перемикач нашого виробу.
Такий пристрій є найбільш простим і зручним у використанні. Воно не змінює конструкції самої плитки, тому його може зробити кожен.
Довідка. Температура становить приблизно 1000 °C, чого цілком достатньо навіть для плавлення срібла.
Корисні поради з виготовлення плавильної печі з
індукційної плити
Для правильного виконання робіт і досягнення необхідного результату ми підкажемо декілька корисних порад. Вони стануть у нагоді при виготовленні домашнього саморобного обладнання.
- Якщо вам необхідна така піч для обігріву приміщення, використовуйте ніхром, для плавки підійде графіт в спіралі.
- Чим більше частота і потужність, тим більше ККД. Але тут головне — не перестаратися.
- У виробі використовуйте потужні лампочки, але не більше чотирьох в одній конструкції.
Звичайно, за такої інструкції не вийде зібрати повноцінну піч для плавки металів. Такі конструкції просто не призначені для таких робіт, але можна отримати прилад для невеликих навантажень і маленького об'єму. Цього цілком достатньо для особистих потреб. Якщо ж вам потрібні великі результати і продуктивність, то, безсумнівно, варто подумати про придбання якісної плавильні.



індукційної плити