Підсилювач для колонок своїми руками
Підсилювачі звуку в магазинах коштують дорого і притому не завжди відрізняються високою якістю. Отже, виникає бажання зробити його самому. У даній статті буде розказано, як це зробити.
Можна зробити підсилювач колонок своїми руками
Зміст статті
У різних торгових точках можна знайти велику кількість підсилювачів для колонок, але будь-який радіоаматор може створити його без особливих зусиль. Виготовлення вручну підсилювачів колонок в рази економічніше. Для її створення не потрібно особливих знань. Необхідно тільки бажання і знати, як правильно її зібрати, попередньо закупивши необхідні матеріали. Нижче розглянемо детальну інструкцію по збірці саморобних підсилювачів.
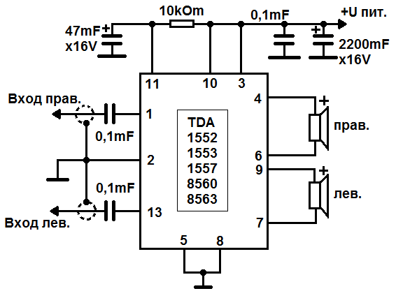
Як зібрати стереоусилитель для колонок своїми руками 12в
Всі хто наважується на створення підсилювачі для колонок, насамперед цікавиться компонентами, які потрібні для збірки. Подібні пристрої працюють завдяки мікросхем і транзисторів, хоча є і випадки, коли використовуються лампи.
Рекомендації
Створений вручну підсилювач звуку, заснований на мікросхемах типу TDA і йому подібних, дуже швидко нагрівається. Для того щоб запобігти перегріву необхідно встановлювати радіаторні решітки. Розміри і типи решіток залежать від виду мікросхем і потужності створюваного пристрою. Тому, необхідно попередньо в корпусі залишити для неї місце.
Увагу.До ручного створення підсилювача потрібно поставитися серйозно, щоб уникнути короткого замикання і виходу з ладу компонентів пристрою.
Що вам знадобиться в процесі
Щоб приступити до виготовлення пристрою, знадобиться:
- корпус;
- штекер;
- блок живлення;
- мікросхема;
- кнопка-вимикач;
- проводки;
- охолоджувальний радіатор;
- шурупи;
- термоклей з термопастою;
- паяльник і каніфоль.
Бур — розширювач. Він необхідний для бурління отворів в пластиці або металі. Це дуже зручний і точний інструмент, за допомогою якого можна легко зібрати корпус.
- Мікросхеми. Необхідні мікросхеми типу TDA легко можна знайти на прилавках магазинів. В якості альтернативи можна розібрати старий телевізор, і вилучити звідти потрібну мікросхему.
- Транзистори. Транзистори зручні своїм малим споживанням енергії і тим, що їх легко вмонтувати в будь-який пристрій. Вони відмінно передають звук і його не потрібно налаштовувати.
- Лампи. Вже мало хто створює пристрої заснованого на лампах. Але, тим не менш, такі пристрої володіють відмінними параметрами звуку. Такі пристрої мають великий ряд недоліків: вживають багато енергії, займають багато місця, важче звичайних, дорогі.
Розібравшись з необхідними компонентами можна приступати до складання пристрою.
Схеми та інструкції по збірці
Існує безліч схем по збірці підсилювачів. Вони в першу чергу залежать від того стара або цифрова техніка буде створена, розміру і джерела живлення пристрою. Збираються схеми на друкованій платі, яка в підсумку зробить пристрій компактним. Також для складання слід мати в наявності паяльник.
Схема, яка була розроблена британцем Джоном Линсли-Худому, базується на використанні чотирьох транзисторів без використання мікросхем. Така схема дозволяє з точністю відтворювати форму вхідного сигналу, що дає в результаті якісне посилення і синусоїду.
Довідка. Найпростішим видом схем є створення підсилювача на основі мікросхеми, в складі якої є транзистори і конденсатори.
Тільки професіонали можуть створювати власні схеми. Для новачків існує програма Sprint Layout, де можна подивитися схеми і вибрати потрібну.
Підсилювач своїми руками для автомагнітоли
Буває, що звук музики в машині не такий якісний як хотілося б. Для тих, хто не хоче витрачати великі гроші на підсилювачі, є можливість зібрати підсилювач самому.
Для здійснення такої задумки, цілком підійде мікросхема TDA8569Q. Вона користується великою популярністю завдяки своїм характеристикам:
- напруга становить від шести до 18 вольт;
- висока вихідна потужність;
- видає частоту від 20 до 20000 Гц.
Першим етапом у складанні буде креслення друкованої плати. Потім рекомендовано опрацювати плату хлорним залізом. Далі варто припаяти всі компоненти мікросхеми. Для того щоб небуло присадок харчування потрібен товстий шар припою. Також не можна забувати залишити на корпусі місце для радіаторної решітки, яка виступає в ролі охолодження.
Підсилювач для комп'ютерних колонок своїми руками для чайників
При перегляді фільмів або прослуховуванні музики, нам часто недостатньо потужності стандартних колонок. Нижче буде детально описано як можна створити підсилювач для колонок вручну. При створенні підсилювача слід враховувати силу потужності зовнішніх колонок, яка становить не більше двох ватт і опір обмоток, що дорівнює чотирьох ОМ.
Щоб зібрати пристрій знадобляться такі компоненти:
- друкована плата;
- 9 — вольтні блок живлення;
- мікросхема серії TDA;
- корпус;
- такі конденсатори: два неполярних 0,2 мкФ.полярний 100 мкФ, полярний 220 мкФ, полярний 470 мкф;
- постійний резистор. 10 Ком м 4,7 ОМ;
- кнопка — вимикач;
- роз'єм для входу.
Інструкція по створенню
Процес складання підсилювача для комп'ютера прямо залежить від тієї схеми, яку ви обрали. Важливо лише, залишити на корпусі місце для радіаторних грат. Вони важливі тим, що дають повітрю із зовнішнього середовища охолоджувати мікросхеми.
- Першим етапом буде встановлення радіодеталей на друковану плату дотримуючись полярності.
- Збираємо корпус. При складанні корпуса слід передбачити місце для радіаторних решіток та інших додаткових деталей. Корпус можна створити самому або придбати готовий. Також в корпус можна вмонтувати плату.
- Для виявлення несправностей, слід включити пристрій в тестовому режимі.
- Збираємо підсилювач. Для цього підключаємо до блоку живлення.
Збирати будь-які види підсилювачів для колонок в домашніх умовах — здійсненне завдання, з якою впорається кожен початківець радіоаматор. Простота полягає в тому, що для початку складання необхідно лише придбати необхідні матеріали для подальшої спайці. Далі просто треба переглянути всі можливі і доступні схеми, і вибрати ту, яка вам підійде. Найголовніший плюс — економія. Адже покупка в магазині такого пристрою, обійдеться набагато дорожче.



Бур — розширювач. Він необхідний для бурління отворів в пластиці або металі. Це дуже зручний і точний інструмент, за допомогою якого можна легко зібрати корпус.


